锻制等径三通

网站首页 / 产品中心 / 锻制管件 / 锻制等径三通
锻制管件

锻制等径三通

锻制等径三通是一种关键锻制管件,配备三个相同直径的接口,专用于在管道系统中实现流体、气体或蒸汽的均匀分流或汇流。与异径三通不同,其对称结构可确保流量的均衡分配,有效消除可能影响系统性能的压力失衡现象——这一特性使其成为流量稳定性至关重要的工业应用中的基础组件。

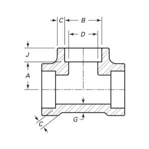
规格参数
产品详情

尺寸

DN15(1/2英寸)~DN600(24英寸)

压力等级

Class 2000~6000

螺纹类型

NPT, BSPP, BSPT

产品认证

PED、AD2000、EAC、ABS、BV、DNV、NORSOK M650、ISO9001、ISO14001、ISO45001等。

功能说明

实现管道45°转向,螺纹连接设计节省安装空间,适用于紧凑型管道布局。

应用领域

专为高压管道系统设计,适用于石油炼化、核电设备、化工装置、锅炉压力容器等关键部位的连接与转向。

包装方式

海运包装,胶合板箱/托盘或按客户要求定制

服务特色

1、小批量起订
2、快速交付
3、定制化生产

锻制等径三通的显著优势包括:出色的结构完整性(锻造工艺有效降低开裂风险)、便于集成(焊接/螺纹连接适配标准管道)以及长久的使用寿命。凭借其均匀分流特性,可有效减轻下游部件的磨损,成为保障管道系统可靠高效运行的关键要素。

我们的流程
生产流程

从原材料到最终交付,我们在每个环节都实施严格管控,以此确保产品的耐用性、优异的性能与品质一致性。

  • 01
    下料
  • 02
    加热
  • 03
    锻造
  • 04
    热处理
  • 05
    粗车加工
  • 06
    无损检测
  • 07
    数控车床精车
  • 08
    表面处理
  • 09
    终检入库
  • 10
    标识
  • 11
    包装
  • 12
    发货
我们的仓库
公司仓库
联系我们
留言表单
关于我们
江阴市高新管件有限公司

我公司是压力管道元件的专业制造商。产品范围涵盖对焊、承插焊和螺纹管件,包括法兰及定制非标件。这些产品广泛应用于石油天然气、化工处理、发电、船舶制造、造纸、冶金、制药及食品加工等行业。我们严格依照ASME、EN、JIS、DIN、ANSI、GOST、MSS、GB/T、HG、DL、SH、SY等国际和国内标准进行生产,拥有完备的检测设备、严格的质量控制体系及多项国际认证(PED、AD2000、EAC、ABS、BV、DNV、NORSOK M650、ISO9001、ISO14001、ISO45001等),是行业内的核心力量。

我们的认证
认证资质
我们的新闻
新闻与博客
  • 主要国家标准 GB/T 12459-2005 《钢制对焊无缝管件》 GB/T 13401-2005 《钢板制对焊管件》 GB/T 9112-2000 《钢制管法兰 类型与参数》 行业标...
  • 法兰是用于轴与轴相互连接的零件,广泛用于管端连接及设备进出口处的法兰盘。 以下从不同维度为您介绍: 结构与分类按连接方式可分为整体法兰、活套法兰和螺纹法兰。整体法兰直接与设备或管道焊接,强度高;活套法...
锻制等径三通
  • 您需要哪种材料?
  • 应用于何种场景?
    • 电力行业
    • 制药行业
    • 石油化工行业
    • 冶金行业
    • 船舶设备
    • 食品机械
  • 添加附件
    点击上传