锻制90°螺纹弯头

网站首页 / 产品中心 / 锻制管件 / 锻制90°螺纹弯头
锻制管件

锻制90°螺纹弯头

锻制90°螺纹弯头以革新性设计提升管道系统效率,为管道布局提供精确的90°转向解决方案,同时凭借螺纹连接结构实现便捷安装与维护。该弯头采用精选锻钢或不锈钢制造,兼具优异的强度与耐腐蚀性,是低压流体系统中兼顾可靠性与适应性的理想选择。螺纹端接设计无需专业工具即可快速拆装,显著简化供水管网、暖通空调系统及工业灌溉装置等场景的维护流程。其紧凑结构轻松适应狭窄空间,在优化流体效率的同时显著抑制湍流与压降——这一特性在船舶工程、食品加工及制药设施等受限环境中具有关键优势。

规格参数
产品详情

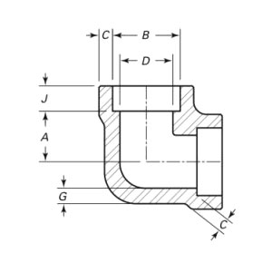
尺寸

DN15(1/2英寸)~DN600(24英寸)

压力等级

Class 2000~6000

螺纹类型

NPT, BSPP, BSPT

产品认证

PED、AD2000、EAC、ABS、BV、DNV、NORSOK M650、ISO9001、ISO14001、ISO45001等。

功能说明

用于管道90°转向的螺纹连接弯头,便于拆装维护,适用于低压流体系统。

应用领域

专为高压管道系统设计,适用于石油炼化、核电设备、化工装置、锅炉压力容器等关键部位的连接与转向。

包装方式

海运包装,胶合板箱/托盘或按客户要求定制

服务特色

1、小批量起订
2、快速交付
3、定制化生产

锻制90°螺纹弯头专为承受温度波动与机械应力而设计,在液压系统、气动控制及低压蒸汽管路中始终确保防泄漏性能,显著降低停机时间并有效控制长期运营成本。通过简化复杂管路布局并消除潜在故障点,该产品助力各行业即使在空间受限的安装环境中也能维持流畅的流体管理。对于注重耐久性、灵活性及成本效益的工程师而言,锻制90°螺纹弯头堪称值得信赖的解决方案。即刻采用我们精密锻制的弯头升级基础设施——以强悍性能与智能设计的深度融合,保障您的系统在现代工业需求下稳定运行。选择可靠,选择高效,让这一经久耐用的解决方案重塑您的管道网络。

我们的流程
生产流程

从原材料到最终交付,我们在每个环节都实施严格管控,以此确保产品的耐用性、优异的性能与品质一致性。

  • 01
    下料
  • 02
    加热
  • 03
    锻造
  • 04
    热处理
  • 05
    粗车加工
  • 06
    无损检测
  • 07
    数控车床精车
  • 08
    表面处理
  • 09
    终检入库
  • 10
    标识
  • 11
    包装
  • 12
    发货
我们的仓库
公司仓库
联系我们
留言表单
关于我们
江阴市高新管件有限公司

我公司是压力管道元件的专业制造商。产品范围涵盖对焊、承插焊和螺纹管件,包括法兰及定制非标件。这些产品广泛应用于石油天然气、化工处理、发电、船舶制造、造纸、冶金、制药及食品加工等行业。我们严格依照ASME、EN、JIS、DIN、ANSI、GOST、MSS、GB/T、HG、DL、SH、SY等国际和国内标准进行生产,拥有完备的检测设备、严格的质量控制体系及多项国际认证(PED、AD2000、EAC、ABS、BV、DNV、NORSOK M650、ISO9001、ISO14001、ISO45001等),是行业内的核心力量。

我们的认证
认证资质
我们的新闻
新闻与博客
  • 主要国家标准 GB/T 12459-2005 《钢制对焊无缝管件》 GB/T 13401-2005 《钢板制对焊管件》 GB/T 9112-2000 《钢制管法兰 类型与参数》 行业标...
  • 法兰是用于轴与轴相互连接的零件,广泛用于管端连接及设备进出口处的法兰盘。 以下从不同维度为您介绍: 结构与分类按连接方式可分为整体法兰、活套法兰和螺纹法兰。整体法兰直接与设备或管道焊接,强度高;活套法...
锻制90°螺纹弯头
  • 您需要哪种材料?
  • 应用于何种场景?
    • 电力行业
    • 制药行业
    • 石油化工行业
    • 冶金行业
    • 船舶设备
    • 食品机械
  • 添加附件
    点击上传