对焊法兰

网站首页 / 产品中心 / 法兰 / 对焊法兰
法兰

对焊法兰

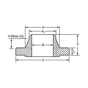
作为高压、高温工况的高效解决方案,对焊法兰凭借其坚固的对接焊连接和精密加工的密封表面,可提供出众的可靠性。该法兰专为关键应用设计,通过全焊透对接焊与管道无缝集成,形成能承受极端压力、温度波动及机械应力的整体结构,成为炼油厂、化工厂和核能系统中不可或缺的组件。

其锥形颈部结构不仅增强了结构完整性,还能有效减少应力集中,确保在苛刻工况下的长期稳定性能。全流程生产工艺——涵盖先进锻造、去应力热处理、精密加工、严格无损检测(NDT)及防腐表面处理——保证每个部件在安全性与耐久性方面均超越行业标准。

规格参数
产品详情

直径

DN15(1/2英寸)-DN3500(138英寸)

压力等级

0.25-25MPa

产品认证

PED、AD2000、EAC、ABS、BV、DNV、NORSOK M650、ISO9001、ISO14001、ISO45001等。

功能说明

对焊连接可为高压(HP)与高温(HT)工况提供高强度密封,确保在极端条件下的防泄漏性能。

应用领域

适用于长输油气管道、海上平台、化工设备、水处理系统及食品制药行业的管道法兰连接,可适应复杂工况。

包装方式

海运包装,胶合板箱/托盘或按客户要求定制

服务特色

1、小批量起订
2、快速交付
3、定制化生产

从承受腐蚀性海水的海底管道,到在灼热温度下运行的蒸汽轮机系统,对焊法兰始终确保防泄漏密封与持续运行。航空航天流体系统或低温存储装置等对品质有严苛要求的行业,均信赖其在循环载荷与恶劣介质侵蚀下保持完整性的能力。

通过优异的材料韧性与精密制造工艺的结合,该法兰凭借最少的停机时间与维护需求,有效降低了全生命周期成本。对于承担关键基础设施设计重任的工程师而言,对焊法兰是毋庸置疑的可靠选择。

即刻选用我们的可靠对焊法兰提升系统性能——成熟制造技术与工业级耐久性的可靠融合,助您的运营系统从容应对压力、温度与时间的极限挑战。选择可靠,选择耐久,为您的关键系统筑牢面向未来的坚实基础。

我们的流程
生产流程

从原材料到最终交付,我们在每个环节都实施严格管控,以此确保产品的耐用性、优异的性能与品质一致性。

  • 01
    下料
  • 02
    加热
  • 03
    锻造
  • 04
    热处理
  • 05
    粗车加工
  • 06
    无损检测
  • 07
    数控车床精车
  • 08
    表面处理
  • 09
    终检入库
  • 10
    标识
  • 11
    包装
  • 12
    发货
我们的仓库
公司仓库
联系我们
留言表单
关于我们
江阴市高新管件有限公司

我公司是压力管道元件的专业制造商。产品范围涵盖对焊、承插焊和螺纹管件,包括法兰及定制非标件。这些产品广泛应用于石油天然气、化工处理、发电、船舶制造、造纸、冶金、制药及食品加工等行业。我们严格依照ASME、EN、JIS、DIN、ANSI、GOST、MSS、GB/T、HG、DL、SH、SY等国际和国内标准进行生产,拥有完备的检测设备、严格的质量控制体系及多项国际认证(PED、AD2000、EAC、ABS、BV、DNV、NORSOK M650、ISO9001、ISO14001、ISO45001等),是行业内的核心力量。

我们的认证
认证资质
我们的新闻
新闻与博客
  • 主要国家标准 GB/T 12459-2005 《钢制对焊无缝管件》 GB/T 13401-2005 《钢板制对焊管件》 GB/T 9112-2000 《钢制管法兰 类型与参数》 行业标...
  • 法兰是用于轴与轴相互连接的零件,广泛用于管端连接及设备进出口处的法兰盘。 以下从不同维度为您介绍: 结构与分类按连接方式可分为整体法兰、活套法兰和螺纹法兰。整体法兰直接与设备或管道焊接,强度高;活套法...
对焊法兰
  • 您需要哪种材料?
  • 应用于何种场景?
    • 电力行业
    • 制药行业
    • 石油化工行业
    • 冶金行业
    • 船舶设备
    • 食品机械
  • 添加附件
    点击上传