平焊法兰

网站首页 / 产品中心 / 法兰 / 平焊法兰
法兰

平焊法兰

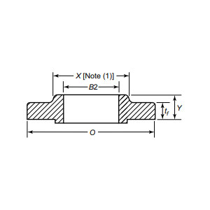
作为高性价比管道解决方案的基础构件,平焊法兰以简洁结构与可靠性能的高效结合,充分满足低压系统需求。该法兰专为便捷安装而设计,可轻松套入管道并通过角焊固定,既简化了安装流程,又有效降低了人工与材料成本——是预算敏感型项目的理想选择,且性能毫不妥协。

其光滑密封平面(FF)确保在市政供水管网、暖通空调系统及一般工业管道等无毒低压工况中实现零泄漏运行;而加强型凹凸密封面(MF)则为要求稍高的环境提供更可靠的密封完整性。

规格参数
产品详情

直径范围

DN15(1/2英寸)-DN3000(119英寸)

压力等级

PN6-PN16

产品认证

PED、AD2000、EAC、ABS、BV、DNV、NORSOK M650、ISO9001 ISO14001、ISO45001等。

功能说明

结构焊接简便、性价比出众、安装便捷;平面密封(FF)适用于低压无毒介质,凹凸密封(MF)提供更强密封保障。

应用领域

适用于长输油气管道、海上平台、化工设备、水处理系统及食品制药行业的管道法兰连接,可适应复杂工况。

包装方式

海运包装,胶合板箱/托盘或按客户要求定制

服务特色

1、小批量起订
2、快速交付
3、定制化生产

由耐用碳钢或不锈钢制成的松套法兰,兼具耐腐蚀与抗机械应力特性,成为食品加工到化工制造等行业的通用选择——这些领域尤其重视卫生标准与维护便捷性。其紧凑轻量化设计简化了改造安装与对中流程,在系统扩建或维修时有效缩短停机时间。无论是农业灌溉、制药车间还是船舶管道,松套法兰都能灵活适应多样布局,确保符合ASME与EN国际标准。该产品通过平衡经济性与稳健结构设计,助力工程师在保障安全的前提下优化基建成本。即刻升级您的管道系统,选择松套法兰——这里化繁为简,以柔克刚,助您构建更智能的体系、实现轻松维护、保障稳定运行。选择高效,选择可靠,即刻重塑您的管道基础设施。

我们的流程
生产流程

从原材料到最终交付,我们在每个环节都实施严格管控,以此确保产品的耐用性、优异的性能与品质一致性。

  • 01
    下料
  • 02
    加热
  • 03
    锻造
  • 04
    热处理
  • 05
    粗车加工
  • 06
    无损检测
  • 07
    数控车床精车
  • 08
    表面处理
  • 09
    终检入库
  • 10
    标识
  • 11
    包装
  • 12
    发货
我们的仓库
公司仓库
联系我们
留言表单
关于我们
江阴市高新管件有限公司

我公司是压力管道元件的专业制造商。产品范围涵盖对焊、承插焊和螺纹管件,包括法兰及定制非标件。这些产品广泛应用于石油天然气、化工处理、发电、船舶制造、造纸、冶金、制药及食品加工等行业。我们严格依照ASME、EN、JIS、DIN、ANSI、GOST、MSS、GB/T、HG、DL、SH、SY等国际和国内标准进行生产,拥有完备的检测设备、严格的质量控制体系及多项国际认证(PED、AD2000、EAC、ABS、BV、DNV、NORSOK M650、ISO9001、ISO14001、ISO45001等),是行业内的核心力量。

我们的认证
认证资质
我们的新闻
新闻与博客
  • 主要国家标准 GB/T 12459-2005 《钢制对焊无缝管件》 GB/T 13401-2005 《钢板制对焊管件》 GB/T 9112-2000 《钢制管法兰 类型与参数》 行业标...
  • 法兰是用于轴与轴相互连接的零件,广泛用于管端连接及设备进出口处的法兰盘。 以下从不同维度为您介绍: 结构与分类按连接方式可分为整体法兰、活套法兰和螺纹法兰。整体法兰直接与设备或管道焊接,强度高;活套法...
平焊法兰
  • 您需要哪种材料?
  • 应用于何种场景?
    • 电力行业
    • 制药行业
    • 石油化工行业
    • 冶金行业
    • 船舶设备
    • 食品机械
  • 添加附件
    点击上传