螺纹法兰

网站首页 / 产品中心 / 法兰 / 螺纹法兰
法兰

螺纹法兰

螺纹法兰通过提供无需焊接的螺纹连接方案,彻底革新管道连接技术,成为安全性与适应性至严苛环境中的可靠选择。该法兰采用精密内螺纹设计,可无缝连接镀锌钢管或禁焊管道系统——特别适用于易燃易爆、高敏感性的工业环境。其创新结构彻底消除焊接带来的火灾风险,在满足严格安全规范的同时,提供能承受高压需求的强效防泄漏密封。螺纹连接支持快速拆装,维护人员无需专业设备即可完成系统检修与升级,显著缩短化工处理、油气输送及制药生产等关键领域的停机时间。

规格参数
产品详情

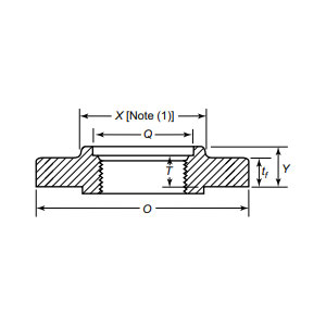
尺寸

DN15(1/2英寸)~DN3800(150英寸);

压力等级

0.6- 4.0MPa

温度范围

-45℃ to +260℃

产品认证

PED、AD2000、EAC、ABS、BV、DNV、NORSOK M650、ISO9001、ISO14001、ISO45001等。

功能说明

螺纹法兰通过内管螺纹与带螺纹管道实现无焊连接,特别适用于镀锌钢管及禁焊环境(如易燃易爆场所)。其安装便捷、维护灵活的特性,尤其适合合金钢等可焊性较差材料的管道连接。

应用领域

适用于长输油气管道、海上平台、化工设备、水处理系统及食品制药行业的管道法兰连接,可适应复杂工况。

包装方式

海运包装,胶合板箱/托盘或按客户要求定制

服务特色

1、小批量起订
2、快速交付
3、定制化生产

螺纹法兰是应对特殊材料焊接难题的理想选择(如合金钢),能有效保持材料完整性,避免热影响导致的脆化或变形。该法兰提供碳钢与不锈钢两种耐腐蚀材质,即便在海上钻井平台至食品级卫生系统等严苛环境中仍能确保长效防护。严格遵循国际标准认证,使其在液压系统、低温管道及可燃流体输送等关键应用中具备可靠保障。对于注重安全、效率与成本效益的行业而言,螺纹法兰是实现变革的创新解决方案。即刻采用我们的可靠螺纹法兰升级基础设施——以创新科技铸就可靠安全,助您的系统在最严苛工况下稳定运行。选择可靠,选择持久,重新定义管道系统的无限潜能。

我们的流程
生产流程

从原材料到最终交付,我们在每个环节都实施严格管控,以此确保产品的耐用性、优异的性能与品质一致性。

  • 01
    下料
  • 02
    加热
  • 03
    锻造
  • 04
    热处理
  • 05
    粗车加工
  • 06
    无损检测
  • 07
    数控车床精车
  • 08
    表面处理
  • 09
    终检入库
  • 10
    标识
  • 11
    包装
  • 12
    发货
我们的仓库
公司仓库
联系我们
留言表单
关于我们
江阴市高新管件有限公司

我公司是压力管道元件的专业制造商。产品范围涵盖对焊、承插焊和螺纹管件,包括法兰及定制非标件。这些产品广泛应用于石油天然气、化工处理、发电、船舶制造、造纸、冶金、制药及食品加工等行业。我们严格依照ASME、EN、JIS、DIN、ANSI、GOST、MSS、GB/T、HG、DL、SH、SY等国际和国内标准进行生产,拥有完备的检测设备、严格的质量控制体系及多项国际认证(PED、AD2000、EAC、ABS、BV、DNV、NORSOK M650、ISO9001、ISO14001、ISO45001等),是行业内的核心力量。

我们的认证
认证资质
我们的新闻
新闻与博客
  • 主要国家标准 GB/T 12459-2005 《钢制对焊无缝管件》 GB/T 13401-2005 《钢板制对焊管件》 GB/T 9112-2000 《钢制管法兰 类型与参数》 行业标...
  • 法兰是用于轴与轴相互连接的零件,广泛用于管端连接及设备进出口处的法兰盘。 以下从不同维度为您介绍: 结构与分类按连接方式可分为整体法兰、活套法兰和螺纹法兰。整体法兰直接与设备或管道焊接,强度高;活套法...
螺纹法兰
  • 您需要哪种材料?
  • 应用于何种场景?
    • 电力行业
    • 制药行业
    • 石油化工行业
    • 冶金行业
    • 船舶设备
    • 食品机械
  • 添加附件
    点击上传