松套法兰

网站首页 / 产品中心 / 法兰 / 松套法兰
法兰

松套法兰

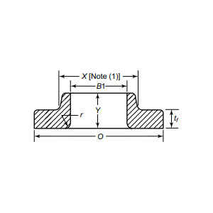
松套法兰以革命性的柔性设计重塑管道系统性能,通过独特的活动法兰环与翻边组件结构,有效化解热胀冷缩应力,同时在低压应用中实现便捷拆装。其创新架构支持管道轴向自适应调节,既能吸收温度变化引起的位移,又能保持结构完整性。提供对焊环型(PJ/SE)与平焊环型(PJ/RJ)两种配置——前者适用于高精度焊接工况,后者满足快速安装需求,在确保防泄漏性能的同时精准适配多样化工况。采用精选碳钢或不锈钢锻造而成,兼具耐腐蚀与抗机械磨损特性,为化工处理、水处理及食品生产等需频繁维护升级的行业提供可靠保障。

规格参数
产品详情

直径

DN50(2英寸)-DN2000(80英寸)

压力等级

0.6-2.5MPa

产品认证

PED、AD2000、EAC、ABS、BV、DNV、NORSOK M650、ISO9001 ISO14001、ISO45001等。

功能说明

松套法兰由法兰环与翻边组合,允许管道轴向位移,有效降低热膨胀应力。结构形式分为对焊环(PJ/SE)与平焊环(PJ/RJ),适用于需频繁拆卸的低压管道系统。

应用领域

适用于长输油气管道、海上平台、化工设备、水处理系统及食品制药行业的管道法兰连接,可适应复杂工况。

包装方式

海运包装,胶合板箱/托盘或按客户要求定制

服务特色

1、小批量起订
2、快速交付
3、定制化生产

其旋转机构大幅简化了安装过程中的对中调整,有效降低液压机械、暖通空调系统及模块化工业设备中的人力成本与停机时间。通过将法兰运动与管道应力隔离,该设计显著延长密封垫片及螺栓的使用寿命,从而减少长期更换开支。无论是需要热补偿的海上平台,还是要求无菌易清洁连接的制药工厂,松套法兰在满足ASME与EN标准的同时,更能适应持续演进的运营需求。凭借严格测试验证与广泛兼容特性,它助力工程师构建具有韧性、面向未来的基础设施。即刻采用我们的松套法兰升级管道系统——这里精工技术与自适应强度深度融合使您的业务在动态环境中蓬勃发展。选择柔性,选择持久,开启高效运维新纪元。

我们的流程
生产流程

从原材料到最终交付,我们在每个环节都实施严格管控,以此确保产品的耐用性、优异的性能与品质一致性。

  • 01
    下料
  • 02
    加热
  • 03
    锻造
  • 04
    热处理
  • 05
    粗车加工
  • 06
    无损检测
  • 07
    数控车床精车
  • 08
    表面处理
  • 09
    终检入库
  • 10
    标识
  • 11
    包装
  • 12
    发货
我们的仓库
公司仓库
联系我们
留言表单
关于我们
江阴市高新管件有限公司

我公司是压力管道元件的专业制造商。产品范围涵盖对焊、承插焊和螺纹管件,包括法兰及定制非标件。这些产品广泛应用于石油天然气、化工处理、发电、船舶制造、造纸、冶金、制药及食品加工等行业。我们严格依照ASME、EN、JIS、DIN、ANSI、GOST、MSS、GB/T、HG、DL、SH、SY等国际和国内标准进行生产,拥有完备的检测设备、严格的质量控制体系及多项国际认证(PED、AD2000、EAC、ABS、BV、DNV、NORSOK M650、ISO9001、ISO14001、ISO45001等),是行业内的核心力量。

我们的认证
认证资质
我们的新闻
新闻与博客
  • 主要国家标准 GB/T 12459-2005 《钢制对焊无缝管件》 GB/T 13401-2005 《钢板制对焊管件》 GB/T 9112-2000 《钢制管法兰 类型与参数》 行业标...
  • 法兰是用于轴与轴相互连接的零件,广泛用于管端连接及设备进出口处的法兰盘。 以下从不同维度为您介绍: 结构与分类按连接方式可分为整体法兰、活套法兰和螺纹法兰。整体法兰直接与设备或管道焊接,强度高;活套法...
松套法兰
  • 您需要哪种材料?
  • 应用于何种场景?
    • 电力行业
    • 制药行业
    • 石油化工行业
    • 冶金行业
    • 船舶设备
    • 食品机械
  • 添加附件
    点击上传