对焊短节

对焊管件

对焊短节

对焊短节是现代管道系统中一款高效实用的解决方案,集坚固耐用的性能与出众的安装灵活性于一身。该产品专用于管道端部连接,可便捷地与法兰或其他部件对接,从而简化维护流程、减少停机时间,即便在高压和腐蚀性工况下也能确保防泄漏密封的可靠性。其精密加工的焊颈设计,实现了管道与法兰间的平滑过渡,消除了结构薄弱点,保障了在极端苛刻环境下的长效使用寿命。在化工、石油天然气及发电等工业应用中,对焊短节能够出色应对磨蚀性介质、极端温度和压力波动,显著降低因泄漏或故障导致的高昂风险。

规格参数
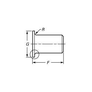
产品详情

口径范围

DN15(1/2")-DN1200(48")

壁厚等级

Sch5S-Sch160

类型

无缝/有缝焊接

产品认证

PPED、AD2000、EAC、ABS、BV、DNV、NORSOK M650、ISO9001、ISO14001、ISO45001等。

功能说明

短管接头是一种管件,通过冲压或焊接将管口边缘沿特定曲线加工成外翻立边。该组件主要用于连接法兰、阀门或其他管件,以增强密封性能与结构强度。其创新设计取代了复杂的拉深工艺,能有效优化材料塑性流动,避免开裂或起皱现象,在减少加工工序的同时实现材料节约。此产品特别适用于高压、耐腐蚀或精密流体输送系统。

应用领域

广泛应用于石油化工、天然气输送、电力、船舶制造及市政工程等领域的管道系统连接,适用于高压、高温及腐蚀性介质环境。

包装方式

适合海运的包装,胶合板箱/托盘,或按客户要求定制

服务特色

1、支持小批量订单; 2、交货迅速; 3、支持定制化生产;

对焊短节凭借其不锈钢及双相不锈钢等耐腐蚀材质,为市政给排水系统提供数十年稳定可靠的运行保障,完全符合严格的安全与卫生标准。在食品与制药行业,其光滑无隙的设计有效保障卫生条件,消除污染风险。该组件支持快速拆装,显著降低检修期间的劳动力成本与停机损失。选择对焊短节,即是投资一个兼具强度、适应力与成本效益的未来型基础设施。

与我们携手,以性能可靠、经久耐用的管道系统共创行业未来。即刻垂询我们的解决方案团队,了解这一关键部件如何将您的项目提升至全新水准。把握先机,即刻获取集创新技术、可靠品质与无忧扩展性于一体的解决方案!

我们的流程
生产流程

从原材料到最终交付,我们在每个环节都实施严格管控,以此确保产品的耐用性、优异的性能与品质一致性。

  • 01
    下料
  • 02
    成型
  • 03
    组对焊接
  • 04
    X射线探伤
  • 05
    热处理
  • 06
    酸洗钝化
  • 07
    切口整形
  • 08
    整形
  • 09
    表面修磨
  • 10
    无损检测
  • 11
    坡口
  • 12
    喷砂
  • 13
    酸洗钝化清洗处理
  • 14
    终检入库
  • 15
    标识与包装
我们的仓库
公司仓库
联系我们
留言表单
关于我们
江阴市高新管件有限公司

我公司是压力管道元件的专业制造商。产品范围涵盖对焊、承插焊和螺纹管件,包括法兰及定制非标件。这些产品广泛应用于石油天然气、化工处理、发电、船舶制造、造纸、冶金、制药及食品加工等行业。我们严格依照ASME、EN、JIS、DIN、ANSI、GOST、MSS、GB/T、HG、DL、SH、SY等国际和国内标准进行生产,拥有完备的检测设备、严格的质量控制体系及多项国际认证(PED、AD2000、EAC、ABS、BV、DNV、NORSOK M650、ISO9001、ISO14001、ISO45001等),是行业内的核心力量。

我们的认证
认证资质
我们的新闻
新闻与博客
  • 主要国家标准 GB/T 12459-2005 《钢制对焊无缝管件》 GB/T 13401-2005 《钢板制对焊管件》 GB/T 9112-2000 《钢制管法兰 类型与参数》 行业标...
  • 法兰是用于轴与轴相互连接的零件,广泛用于管端连接及设备进出口处的法兰盘。 以下从不同维度为您介绍: 结构与分类按连接方式可分为整体法兰、活套法兰和螺纹法兰。整体法兰直接与设备或管道焊接,强度高;活套法...
对焊短节
  • 您需要哪种材料?
  • 应用于何种场景?
    • 电力行业
    • 制药行业
    • 石油化工行业
    • 冶金行业
    • 船舶设备
    • 食品机械
  • 添加附件
    点击上传